Die eXergiemaschine (schwarzes Gerät links im Bild) hebt die von der Wärmepumpe gelieferte Temperatur auf zirka 65 °C an. Der Systemregler (rechts) dient der Überwachung aller Quellen und optimiert die Heizkreise.
Alle Fotos: © varmeco / Walter Diebel
Denkmalschutz limitiert passive Dämmmaßnahmen
Vor der Sanierung der Heizungstechnik hatte Diebel bereits passive Energiesparmaßnahmen ergriffen – sofern der Denkmalschutz dies zuließ. Von innen sorgen zum Beispiel Lehmputz, Holzfaserplatten oder Wärmedämmputz für geringere Wärmeverluste, außen durfte nur unter den Holz- und Schieferschindeln eine Wärmedämmung angebracht werden. Doch auch damit sind die Wärmeübergangswerte der Häuser von denen heutiger Objekte weit entfernt. Da die Decken der rund 300 m² Wohnfläche bietenden Gebäude teils niedrig ist, sind Fußbodenheizungen nicht umsetzbar; Deckenheizungen wären wegen der Balkenkonstruktion nicht sinnvoll. „Somit blieb es bei den klassischen Radiatoren, die zur Deckung des Wärmebedarfs im Winter eine höhere Vorlauftemperatur benötigen“, erklärt Diebel.
Klimaneutral heizen mit Strom und Pellets statt Erdgas
Nicht gerade die besten Voraussetzungen für den Einsatz von Heizungswärmepumpen, denn bei hohen Vorlauftemperaturen arbeiten sie mit einem schlechten Wirkungsgrad. Doch TGA-Fachplaner Diebel liebt Herausforderungen, und als sein Arbeitgeber die eXergiemaschine herausbrachte, wagte er sich an das Sanierungsprojekt. „Wir wollten gerne auf eine saubere Heizungstechnik umsteigen“, berichtet er. Strom oder Holz sollten Erdgas als Energieträger ablösen. „Die eXergiemaschine ermöglicht es, auch für unsere Fachwerkhäuser ein effizientes Heizsystem zu planen, welches eine Wärmepumpe als Hauptquelle nutzt.“
Die eXergiemaschine sorgt für den nötigen Temperatur-Boost
Die eXergiemaschine ist eine von Diebels Arbeitgeber varmeco und ihrem Schweizer Partner BMS-Energietechnik entwickelte, spezielle Wasser-Wasser-Wärmepumpe, die für höhere Quellentemperaturen von 30 °C und mehr konzipiert ist. Sie ersetzt die Heizungswärmepumpe also nicht, sondern kann sie sinnvoll ergänzen. Die Wärmepumpe kann in ihrem optimalen Betriebsbereich arbeiten und braucht nur 35 oder 40 °C zu liefern, die eXergiemaschine bewirkt einen weiteren Temperaturhub auf bis zu 65 °C. Das ist heiß genug für hohe Vorlauftemperaturen im Heizkreis oder für die hygienische Warmwasserbereitung. „Obwohl dann zwei Geräte – Wärmepumpe und eXergiemaschine – arbeiten, brauchen sie in Summe deutlich weniger Strom als eine Wärmepumpe alleine, die hohe Zieltemperaturen erreichen muss“, erläutert Diebel.
Platz (für Heizspeicher) ist auch im kleinsten Keller
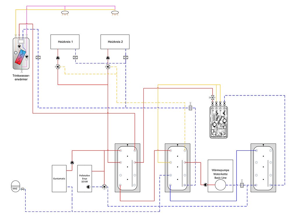
Für den Betrieb der eXergiemaschine ist ein Heizspeicher erforderlich, wie er in neueren Heizsystemen ohnehin verwendet wird. Bei Familie Diebel war dessen Einbringung jedoch nicht so einfach möglich: „Niedrige Decken und kleine Türen sprachen gegen einen Speicher mit dem nötigen Volumen – also haben wir stattdessen drei kleinere installieren lassen“, so Diebel. Jedem Speicher ist ein eigener Temperaturbereich (kühl, warm, heiß) zugeordnet. Die Heizkreise der beiden Gebäude und der hydraulische Durchlauferhitzer zur Warmwasserbereitung greifen auf den heißen Speicher zu, in dessen oberem Bereich eine Temperatur von etwa 65 °C bereitgestellt wird.
Pelletkessel für die kalten Wintertage
Bis hinab zu einer Außentemperatur von ca. 5 °C liefern die neue Luft-Wasser-Wärmepumpe und die eXergiemaschine ausreichend Wärme, um die Heizung und Warmwasserbereitung zu bedienen. Bei Temperaturen um und unter dem Gefrierpunkt unterstützt eine Pelletheizung (mit Feinstaubfilter) die Heizanlage.
Übergeordneter Regler schafft Transparenz
Die Regler aller Heizquellen arbeiten temperaturgeführt und autonom. Dennoch hat Diebel dem System eine übergeordnete Elektronik spendiert – den Systemregler VarCon380 von varmeco. „An dem Regler kann ich den Betriebsstatus der Quellen und die Wärmeflüsse [die jeweiligen Temperaturen in Vor- und Rücklauf] oder Störmeldungen einsehen“, nennt der Hausbesitzer den Vorteil des VarCon380. „Alle wesentlichen Betriebsinformationen werden in einer übersichtlichen Oberfläche dargestellt, die ich über Ethernet bzw. Internet am Rechner einsehen kann.“ Außerdem ließ sich mithilfe des Systemreglers die Heizkreissteuerung für die beiden Gebäude optimieren, um noch mehr Energie zu sparen.
Etwa 40 Prozent weniger Energiekosten
Mit dem Ergebnis seines Sanierungsprojekts ist Diebel zufrieden: „Wir heizen nun nicht nur CO2-neutral, sondern sparen auch Betriebskosten. Statt rund 7.000 Euro pro Jahr für Erdgas geben wir heute etwa 4.200 Euro für Heizungsstrom und Pellets aus. Die Energiekosten sind somit 40 Prozent niedriger.“ Die Investition in die neue Technik macht sich also langfristig bezahlt. „Die Amortisationszeit ist zwar länger als bei vielen anderen Objekten“, räumt Diebel ein. „Aber unser Haus beweist, dass auch rund 400 Jahre alte Gebäude mit einer modernen Heizungszentrale ausgestattet und wirtschaftlich betrieben werden können.“


So funktioniert die eXergiemaschine
Die eXergiemaschine, die varmeco und ihr Schweizer Partner BMS-Energietechnik entwickelt haben, stellt eine optimierte Temperaturschichtung im Pufferspeicher (Heizspeicher) her. Dazu arbeitet im Inneren des Geräts eine Wasser-Wasser-Wärmepumpe mit Nennwärmeleistungen Qth von 3 bis 40 kW, die für eine große Temperaturspreizung von etwa 50 K im Pufferspeicher ausgelegt ist und auch bei Quelltemperaturen von 55 °C und mehr arbeitet. Während des Betriebs entnimmt die eXergiemaschine über zwei Kreisläufe Wasser aus der Mitte des Speichersystems. Ein Kreislauf leitet Wasser zum Kondensator der Wärmepumpe, wo es erhitzt wird, bevor es in den heißen Teil des Speichers gelangt. Der andere Kreislauf führt über den Verdampfer und leitet das dort heruntergekühlte Wasser anschließend in den unteren, kalten Speicherbereich.
Die eXergiemaschine ist in der 3- und 5-kW-Ausführung als kompaktes Wandgerät (siehe Bild) und in den Leistungsklassen 5 bis 40 kW Wärmeleistung als Standgerät erhältlich. Eine noch größere eXergiemaschine für Krankenhäuser, Wohnblöcke oder zum Beispiel den Gewerbeeinsatz ist derzeit in der Entwicklung.


Mehr Informationen unter varmeco.de und exergiemaschine.com.
